产品概述:
SCK5-80系列小型断路器(以下简称断路器) ,具有过载与短路双重保护功能,适用于交流50Hz,额定电压240/415V,额定电流至63A的电路中,作线路的过载和短路保护之用,亦可用于线路的不频繁通断操作。该产品具有体积小、重量轻、分断能力高、阻燃、耐冲击、导轨安装、安全可靠等特点,适宜非专业人员使用,广泛的应用于工矿企业、高层建筑、商业及家庭等场所。本系列断路器符合GB10963-1999标准要求。
型号及其含义:

主要技术参数:
1.断路器的类型.
(1)按额定电流分: 1A、3A、6A、10A、 16A、20A、25A、32A、40A、50A、 63A共11种规格。
(2)按极数分:单极、二极、三极、四极共四种。
(3)按瞬时脱扣电流分: B型、C型、D型共三种。
2.断路器的基本参数见表1

注:1)当In≤32时,lcu=6.0kA, cosφ=0.7; 当In≥40时, lcu=4.5kA, cosφ=0.8。
3.断路器机械电气寿命为10000次,其中有载操作(电气寿命)为4000次。
4.介电性能:断路器能承受交流50Hz, 2500V的工频耐压试验,历时1min, 无击穿或闪络现象。
5,过电流脱扣器保护特性:过电流脱扣器的保护特性符合表2规定,其基准环境温度为+30C,允差为+5°C。

结构特征:
1.断路器主要由操作机构,动静触头,脱扣器,灭弧装置等部件组成,且全部装于高阻然、耐冲击的塑料制成的绝缘外壳内。
2将断路器操作手柄推向“ON”位置时,通过操作机构使动、静触头闭合而接通电路。当线路发生过载故障时,过载电流使热双金
属元件弯曲并推动杠杆使得机械锁定机构复位,动触头迅速离开静触头,从而实现线路的过载保护;当线路发生短路故障时,短路电流使瞬时脱扣器动作,顶杆推动杠杆使锁定机构复位,实现线路的短路保护。
3.二极、三极、四极断路器内部装有联动脱扣装置,并且操作手柄用连杆联接,不会造成单相断路事故。
正常工作条件:
1.周围空气温度: -5°C~+40°C, 且24小时内的平均值不超过+35°C。
2.海拔:安装地点的海拔不超过2000m。
3.大气条件:大气相对湿度在温度为+40°C时不超过50%;在较低温度下允许有较高的相对湿度,最湿月的月平均最大相对湿度为90%,
同时该月的月平均最低温度不超过+20°C,并应考虑到温度变化发生在产品表面的凝露。
4.污染等级:断路器的污染等级为2级。
5.安装类别(过电压类别):断路器的安装类别为11类、I类。
6.安装在显著冲击、振动场所,无危险爆炸的介质中,无足以腐蚀金属和破坏绝缘的气体或尘埃,无雨雪侵袭的地方。
7.安装条件:采用TH35型标准导轨安装,安装于配电柜,配电箱和配电盒中。安装时应垂直安装,手柄向上为接通电源位置。
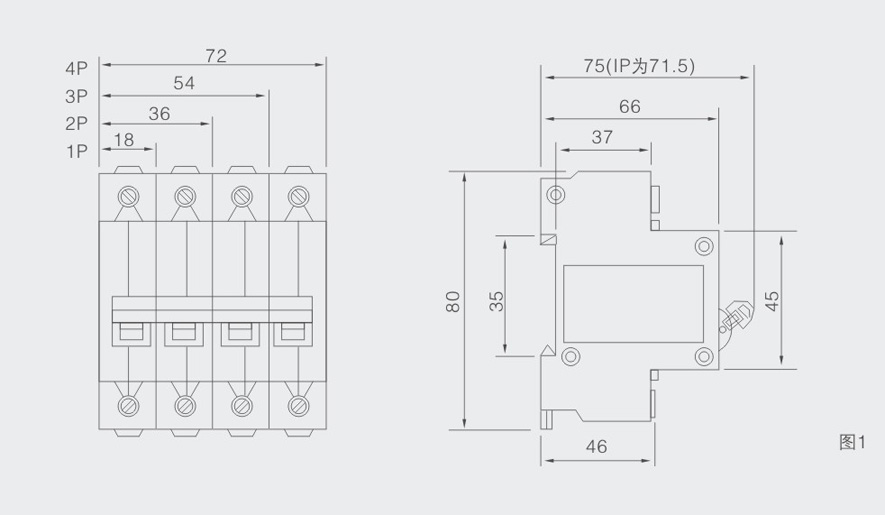
外形及安装尺寸:
订货须知:
用户订货时必须说明以下内容:
1.断路器的名称及型号;
2.断路器的额定电流;
3.瞬时过电流脱扣器型式;
4.断路器极数;
5.数量。
例如:订购SCK5- .80/3P小型断路器,额定电流32A, D型,三级,数量100只。
4"Deep Well Pumps 4SG(M)












