产品概述:
具有全智能、高分断、零飞弧等特点。
交流额定电流400A-6300A、短路分断能力80KA- 120KA。
具有3极和4极,抽屉式和固定式,可倒进线安装。
具有多种智能控制器,提供不同功能:智能化功能,显示功能,整定功能,监控功能,故障记忆功能,可带通信接口,实现遥测,遥调,遥控,遥讯。
符合IEC60947-2,GB14048.2等标准。
保护特性齐全,整定方便,精度高,具有瞬时,短延时,长延时,单相接地等保护特性。
型号及其含义:

用途及适用范围:
SCW5系列物联网智能型万能式断路器(以下简称断路器),适用于交流50Hz ,额定电压至660V(690V)及以下,额定电流400A- 6300A的配电网络中,用来分配电能和保护线路及电源设备免受过载、欠电压、短路、单相接地等故障的危害。断路器具有智能化保护功能,选择性保护精确,能提高供电可靠性,避免不必要的停电。同时带有开放式通讯接口,可进行“四遥”,以满足控制中心的自动化系统的要求。断路器在海拔2000米的脉冲耐压8000V(不同海拔按标准修正,最高不超过12000V)。该断路器具有隔离功能,标示为“_ /Hx”。断路器符合标准: GB 14048.2《低压开关设备和控制设备低压断路器》
1EC60947-2《低压开关设备和控制设备断路器》
型号含义及分类:
●分类:
按安装方式分
a.固定式
b.抽屉式
●按极数分:三极、四极
按操作方式分
a.电动操作
B.手动操作(检修、维护用)
●脱扣器种类:
智能控制器、欠电压瞬时(或延时)脱扣器、分励脱扣器。
●智能控制器性能:
a.智能控制器分为:H型(通讯用)、M型(普通智能型)、L型(经济型);.
b.具有过载长延时反时限,定时限,瞬时功能,可由用户自行设定组成所需要的保护特性;
c.单相接地保护功能;
d.显示功能:整定电流显示、动作电流显示、各线电压主显示(电压显示应在订货时提出) ;
e.报警功能:过载报警; .
f.自检功能:过热自检、微机自诊断;
G.试验功能:试验智能控制器的动作特性。
正常工作条件和安装条件:
●周围空气温度
上限值不超过+409C,下限值不低于-5°C,24h平均值不超过+35*C;
注:下限值为-10C或- -25C的工作条件,用户应向本公司申明;
上限值超过+40C或下限值低于- 10C或一-25"C的工作条件,用户应与本公司协商;
●安装地点的海拔不超过2000m。
●大气条件
大气相对湿度在周围空气为+40C时不超过50%,在较低温度下可以有较高的相对温度,最湿月的月平均最大相对湿度为90%,同时该月的平均最低温度为+25°C,并考虑到因温度变化发生在产品表面上的凝露。超过规定要求应与本公司协商。
●防护: IP30
●污染等级: 3级
●使用类别: B类或A类
●安装类别
额定工作电压660V(690V)及以下的断路器以及欠电压脱扣器,电源变压器初级线圈用于安装类别IV辅助电路及控制电路安装类别为
●安装条件
断路器应控本说明书要求安装,断路器的垂直倾斜度不超过5°(矿用断路器的倾斜度不超过15°)。
结构简介:
断路器正面指示

●SCW5系列物联网智能型万能式断路器



技术数据与性能:
●断路器的额定电流见表1

断路器的额定短路分断能力及短时耐受电流见表2,断路器飞弧距离为‘“零”’(即断路器外无飞弧)。

断路器的最大耗损功率为360W,断路器在不同环境温度下的额定持续电流变化见表3

●智能型过电流控制器保护特性和功能
控制器的过电流保护特性
a.控制器的整定值|r(I/In)及误差见表4

b.长延时过电流保护反时限动作特性IT[=(1.5Irl)T,其( 1.05 ~ 2.0)Irl的动作时间见表5,其时间误差为土15%。
注: t-长延时1.51r1的整定时间,T-长延时的动作时间。

c.短延时过电流保护特性见表6
短延时过电流保护为定时限,如要求低倍数为反时限时,其特性按1"Ts=(8Ir1)"ts,ts为一般延时设定时间;当过载电流>8Ir1时,自动转换为定时限特性,其定时限特性见表六。时限误差为士15%。

d.过电流脱扣保护特性见图1,接地故障保护性见图2,
M型智能控制器的功能:
a.电流表功能
显示各相运行电流及接地泄漏电流,正常显示最大相电流,还可显示整定、试验及故障的电流值或时间值。
b.电压表功能
显示各线电压,正常显示最大值。
c.远端监控和自诊断功能
1.控制器具有本机故障自诊断功能
当计算机发生故障时能发出出错“E"显 示或报警,同时重新启动计算机,用户需要时,也可将断路器分断。
2.当局部环境温度达到80°C时,能发出报警,并能在较小的电流时(用户需要时)分断断路器。
3.智能控制器具有过载、接地、短路、负载监控、预报警、脱扣指示( OCR)等信号通过触点或光耦输出,便于用户外接遥控用,触点容量DC28V、3;AC125V、 3A.
d.整定功能

e.试验功能

注:为了试验方便,接地漏电无论整定在脱扣或报警位置,试验均作脱扣处理,且优先级小于过载保护,试验过程中- -旦发生故障,控制器自动停止一切试验进入故障处理。
f.负载监控功能:设置两个整值,ILC1整定范围(0.2~1) In,ILC2整定范围(0.2~1) In,ILC1延时特性为反时限特性,其时间整定值为长延时整定值的1/2; ILC2延时特性有两种,第一种为反时限功能,其时间整定值为长延时整定值的1/4;第二种为定时限,其延时间为60s。这二种延时功能,前者用于当电流接近过载整定值时分断下级不重要负载,后者则用于当电流超过ILC1整定值,便延时分断下级不重要负载后, 使电流下降,让主电路和重要负荷电路保持供电,当电流下降到ILC2时,经一定延时后发出指令再次接通下级已切除过的电路,恢复整个系统的供电。上述两种监控保护,用户可任选其一,监控特性见图3、4。
g.MCR脱扣和模拟脱扣保护,根据用户要求可关断,做短延时分断试验时一般需要关断。
①MCR接通分断保护主要用在线路故障状态合闸时(控制器通电瞬间),控制器具有在低倍短路电流分断断路器功能。出厂设定在10KA,误差+20%,其设定电流可根据用户要求定。
②控制器设有在特大短路电流发生时,信号不经主机芯片处理,直接发现脱扣信号的功能。
h.热记忆功能:控制器过载或短路延时脱扣后,在控制器未断电之前,具有模拟双金属片特性的记忆功能,过载能量30min释放结束,短延时能量15min释放结束,在此期间发生过载、短延时故障,脱扣时间将变短,控制器断电,能量自动清零。
H型智能控制器的基本功能:
a.主要保护功能:过载反时限保护、短路延时定时限和反时限保护、短路瞬时保护、短路瞬时保护、接地或漏电定时限和反时限保护、N相保护、断相等原因引起的电流不平衡保护,负载监控等。
b.测量及运行监视:实时测量各项电网参数,实时指示运行状态,如:故障、报警、自诊断、正常运行等。
c.查询功能:保护参数查询、历史故障记录查询、自诊断故障信息查询和电网测量参数查询等功能。
d.参数设定功能:控制器面板.上可直接设定各种参数。
e.编程接口功能:提供与ST编程器的接口,可修改一些特定参数及试验分合闸。
f.通讯组网功能:控制器提供标准的RS485接口,可用Modbus或Profibus - DP协议实现数据传送,适应监控管理的“四遥”操作要求。
g.试验功能:可对断路器进行瞬时动作的脱扣试验,同时测量断路器的固有动作时间。
h.自诊断功能:对控制器自身出现的一些故障进行诊断报警。
i.历史数据记录功能,用于记录四相电流,三相电压、频率、功率、功率因素、有功电度,每隔半小时记录一次,可记录三个月。
j.负载监控保护功能:负载监控是对断路器的不同负载进行控制,以保证主负载的供电。负载监控可用于预报警,亦可用于控制支路负荷,控制器输出两个无源信号触点。
k.MCR接通分断及越限跳闸功能(可选):如果在开关闭合前电网已处故障状态,在合闸瞬间产生大于MCR设定值的电流,控制器以瞬时方式使断路器分断。此功能只在合闸
瞬间(100ms内)起作用。
越限跳闸是指断路器在正常运行时,当断路器电流超过一定值后(-般为断路器的极限电流),控制器以瞬时指令使断路器分断,此功能不受瞬时设定值的影响。
1.遥控、本地和设置权限选择:控制器可对“遥控”、“本地”和“设置”三个状态位置进行设置,本功能用于组网时将参数修改及遥控操作的权限指向“本地”或“远程"型智能控制器:
L型控制器采用编码开关和拔动开关整定方式,具有过载长延时、短路短延时、瞬时、接地漏电四段保护特性,以及故障状态、负载电流光柱指示等功能,但无数码显示,功能不及M及H型齐全。供用户在一般场合下选用。
●)断路器的操作性能
断路器的操作性能用操作循环次数表示

断路器的分励脱扣器,欠电压脱扣器、电动操作机构、释能(合闸)电磁铁、短路控制器的工作电压及所需功率


断路器的欠电压脱扣器性能:

●辅助触头的性能
1.辅助触头的约定发热电流为6A.
2辅助触头的形式:四常开四常闭(转换触头形式)。
●辅助触头的非正常接通与分断能力
辅助触头非正常使用条件下的接通分断能力

辅助触头正常条件下的接通与分断能力

●断开位置钥匙锁
断路器具有“断开位置钥匙锁”附件(按订货要求供),能将断路器锁定在断开位置,此时无论用合闸按钮或释能(合闸)电磁铁均不能使断路器闭合。
结构概述:
固定式断路器主要由触头系统、绝缘基座、智能控制器、手动操作机构、电动操作机构、安装板组成。
抽屉式断路器主要由触头系统、绝缘基座、智能控制器、手动操作机构、电动操作机构、抽屉座组成。
断路器为立体布置形式,具有结构紧凑、体积小的特点。触头系统封闭在绝缘底板内,其每相触头也都用绝缘板隔开,形成一个个小室,而智能控制器、手动操作机构、电动操作机构依次排在其前面形成各自独立的单元,如其中一单元坏了,可将其整个拆下换上新的。
抽屉式断路器由插入断路器与抽屉座组成。抽屉座内的导轨能拉进拉出,插入断路器座落在导轨上进出抽屉,通过插入断路器上的母线与抽屉座.上的桥式触头的插入联结接通主回路。
抽屉式断路器有三个工作位置:“连接” 位置、“试验” 位置、“分离” 位置,位置变更通过手柄的旋进或旋出来实现,三个位置的指示通过抽屉座底座横梁上的指针显示。
当处于“连接”位置时,主回路和二次回路均接通;当处于“试验”位置时,主回路断开,并有绝缘板隔开,仅二次回路接通,可.进行一些必要的动作试验;当处于“分离"位置时,主回路与二次回路全部断开,并且抽屉式断路器具有机械联锁位置,断路器只有在连接位置或试验位置才能使断路器闭合,而在连接与试验的中间位置断路器不能闭合。
断路器的联锁机构(适用抽屉式、固定式)。用户可单独采用联锁机构进行二台或三台的转换,也可选配公司SKSQ双电源自动切换装置,以实现双路供电自动切换。
外形与安装尺寸:
●固定式断路器安装尺寸,外形尺寸
SCW5- 2000、2000/4固定式断路器安装尺寸及外形尺寸见图8

SCW5- 3200/3200/4固定式断路器安装尺寸及外形尺寸见图9

●抽屉式断路器安装尺寸,外形尺寸
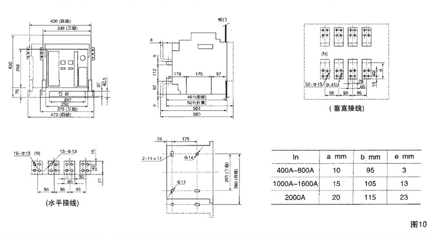
SCW5- 2000.2000/4抽 屉式断路器安装尺寸及外形尺寸见图10

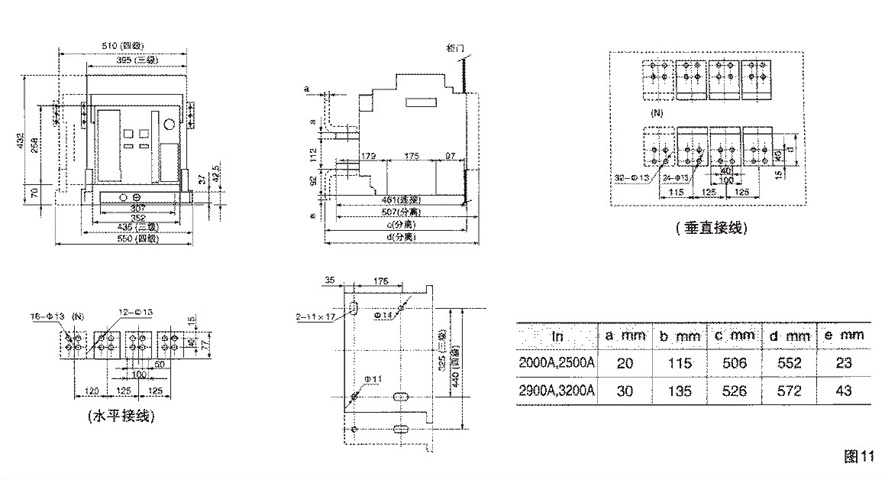
SCW5-3200、3200/4抽屉式断路器安装尺寸及外形尺寸见图11

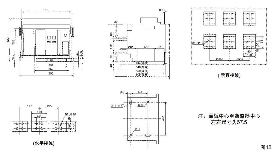
SCW5- 4000抽屉式断路器安装尺寸及外形尺寸见團12

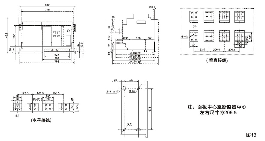
SCW5 - 4000/4抽屉式断路器安装尺寸及外形尺寸见图13

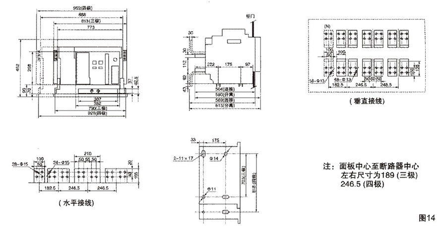
SCW5- 6300、6300/4 In- 4000.5000抽屉式断路器安装尺寸及外形尺寸见图14

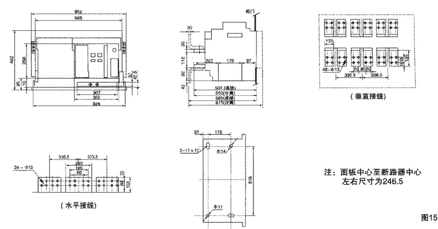
SCW5- 6300、In=6300A抽 屉式断路器安装尺寸及外形尺寸见图15

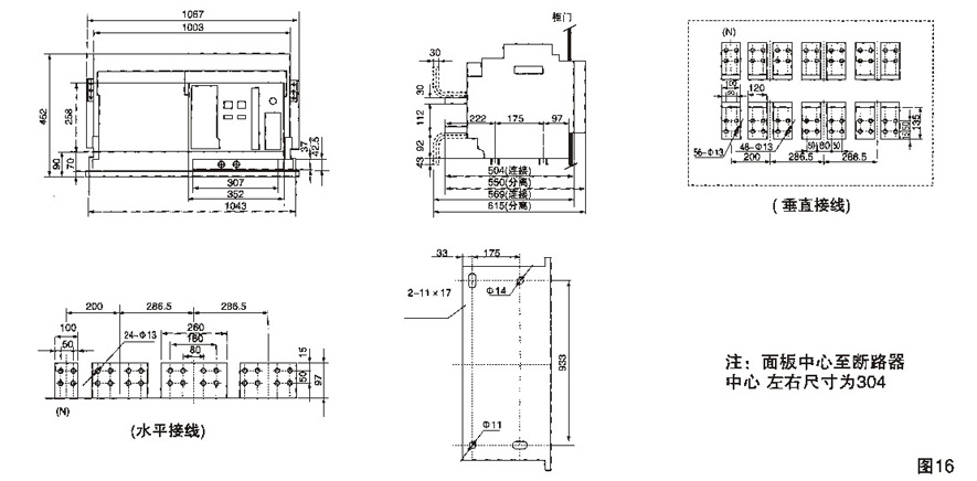
SCW5- -6300/4 In=6300A抽屉式断路器安装尺寸及外形尺寸见图16

●用户连钢排规格、数量

门框尺寸及安装孔孔距:

4"Deep Well Pumps 4SG(M)













