产品概述:
SCK5Z- 125ARD智能物联网断路器(以下简称断路器),适用于国家电网公司用电信息采集系统管理,根据用户用电账户的余额情况,由预付费电能表实施分合闸控制的外置断路器。断路器额定绝缘电压500V,适用于交流50Hz,额定工作电压230V/400V,额定控制电压AC220V,额定电流80A以下的线路中。产品符合以下标准:符合国家电网《Q/GDW11421-2015电能表外置断路器技术规范》
型号及其含义:

产品特点:
超小体积:控制部分采用单模数设计,宽度仅18mm;
功能强大:欠费自动分闸,缴费自动合闸;具有快速脱扣功能(欠费脱扣保持有效防止人为合闸窃电) ;
动作迅速:操作机构对断路器的合闸时间小于2s,分闸速度小于0.6s;
性能可靠:机械寿命高达20000次,相较因内外产品提高-倍以上;
高安全性:分断能力高Icu= 10kA;
传动可靠:采用内轴传动,有效保证2P及以上断路器可靠同步合闸;
安全性高:配备分闸安全挂锁孔; .
兼容性好:外形及安装符合模数化终端组合电器标准,导轨式安装,互换方便;
节能环保:功耗低;全部采用环保材料,符合RoHS要求;
适应性强:适用-40C~ 70C。
产品结构与工作原理:
SCK5Z智能物联网断路器控制部分的电路采用高速CPU,通过检测预付费电表账户余额的输出状态来控制断路器的分合闸状态,并对断路器的分合闸状态进行反馈,控制电路对数字信息具有很强的处理能力,是-般MPU的处理能力的20倍,采用了精密抗干扰能力强劲的处理芯片,对各种干扰有着很强的抗扰能力。控制部分的机构采用电机和齿组合机构,通过齿轮机构带动断路器内轴,实现断路器的分合闸控制,具有高可靠性和长使用寿命。
主要性能技术参数:

功能特点:
●模块化设计,内轴传动,分合闸同步性高
率先通过完整3C认证
●符合国家电网《QGDW11421-2015电能表外置断路器技术规范技术规范》
●<!--[endif]-->符合环保ROHS要求
●<!--[endif]-->封闭式三相取电,三相反馈,只要任意一相有电状态下即可确保工作正常,保证反馈可靠; EMC差模共模可达4KV
性能参数:


●安装
整体模块化结构,可方便安装在DIN标准导轨上C型曲线,保护常规负载和配电线缆。
产品特性:
●过电流脱扣特性

断路器控制信号和动作状态特性

热/电磁脱扣特性

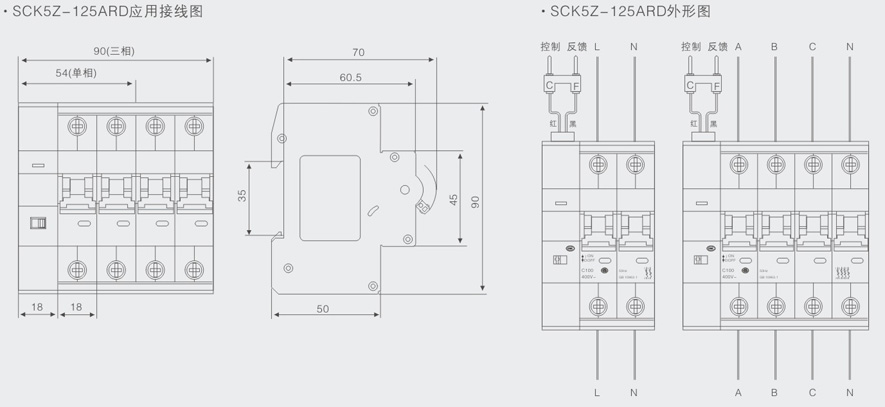
产品外形尺寸示意图

状态指示:
灯闪烁:系统初始化.上电延时4S
灯常亮:合闸信号指示
灯不亮:分闸信号指示
其它:
1.产品的保养与维护
2.售后服务
3.产品生产日期
4.联系方式
状态指示:
灯闪烁:系统初始化.上电延时4S
灯常亮:合闸信号指示
灯不亮:分闸信号指示
其它:
1.产品的保养与维护
2.售后服务
3.产品生产日期
4.联系方式
范围:

1.安装前,先确认[手动/自动切换]状态位置在“自动”位置,再用手柄进行分合闸操作2次,最后将手柄置于分闸位置。
2.将产品安装到35mm导轨上(断路器上进线接电源,下出线接负载,不允许倒接)。按接线图接线,并插入信号线,完成后送电。
3.送电后,等控制信号灯熄灭,接AC 220V控制信号,断路器自动合闸,反馈端输出信号。
4.合闸后等5s,手动分手柄反馈无信号输出,手动合手柄反馈端有信号输出,手柄操作2次。
5.取消AC 220V控制信号,断路器自动分闸,并且不能合闸。
6.安装及测试结束,设备把投入运行。
。 常见问题及解决
若不能正常工作:
1.请检查“手动/自动功换”是否未处在“自动”位置;
2.请检查电源进线方向是否按照产品规定的方向可靠连接正确;
3.控制信号灯是否熄灭,信号端导线是否插紧。
4.是否在控制信号灯熄灭后,再输入控制信号。若使用过程中跳闸
1.请检查选用小型断路器额定电流是否偏小,或者检查线路是否正常; .
2.请检查控制信号灯是否熄灭,若已熄灭请及时允费。
4"Deep Well Pumps 4SG(M)












