产品概述:
SCM5E系列智能型塑壳断路器,是本厂采用国际先进设计、制造技术研制、开发的新型断路器之一。其额定绝缘电压为800V,适用于交流50Hz,额定工作电压400V,额定工作电流至1250A的电路中作不频繁转换及电动机不频繁起动之用。断路器具有过载长延时反时限、断路短延时反时限、短路短延时定时限、断路瞬时和欠电压保护功能,能保护线路和电流设备不受损坏。
断路器可垂直安装(即竖装),亦可水平安装(即横装)。
本断路器不可倒进线,即只能1. 3. 5接电源线,2、4. 6接负载线。
本断路器执行以下标准:
IEC60947- 1及GB/T14018.1总则;
IEC60947-2及GB14048.2低压断路器及附录F带电子过电流保护断路器的附加要求;
IEC60947-4及GB14048. .4接触器和电动机起动器;
IEC60947- 5.1及GB 14048.5机电式控制电路电器。
型号及其含义:

主要性能特点:
. SCM5E系列智能型塑壳断路器具有三段保护功能,适用类别为B的断路器与连接在同一电路中的其它短路保护装置在短路条件下具有
完全选择性配合;
.具有五种脱扣特性选择:用户可根据负载电流要求对脱扣器进行设置调整;
.电子脱扣器由断路器自身提供能量,电流信号及控制电源来自安装于断路器内的环形电流互感器;
.具有预警指示:当负载电流超出预设定电流时,断路器面盖上的发光二极管指示为黄色; .
.具有过载指示:当负载电流超出整定电流时,断路器面盖上的发光二极管指示为红色;
.具有消防专用的过载不脱扣只有报警功能:当负载电流过载运行时,断路器不脱扣,输出一个电源接点信号,驱动相应的报警装置;
.符合IEC60947附录F的电磁兼容要求;
.外形尺寸与SCM5E系列塑壳断路器同规格相同,安装据有互换性。(注:其中SCM5E- 800相同)
.按额定电流(A)分:
SCM5E- 100为32(16,20,25,32)、63(32,36,40,45,50,55,60,63)、 100(63,65,70,75,80,85,90,95, 100);
SCM5E-225为225( 100, 125, 140, 160, 180,200,225);
SCM5E - 400为400(200,225,250,280,315 ,350, 400);
SCM5E - 630为630(400,420,440,460,480,500,530,560,600,630);
SCM5E-800为800(630,640,660,680,700,720,740,760,780,800);
SCM5E- 1250为1600(630,700,800, 1000, 1250);
接线方式分为板前接线、板后接线、插入式三种;
.按断路器是否带附件和不带附件两种;
. 附件分内部附件和外部附件:内部附件有分励脱扣器、欠电压脱扣器、过载报警器、辅助触头、报警触头五种;
.外部附件有转动手柄操作机构、电动操作机构。
结构简介:
断路器正面指示

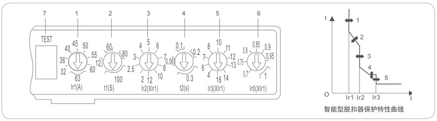
SCM5E- 100,In=32A智能型脱扣器

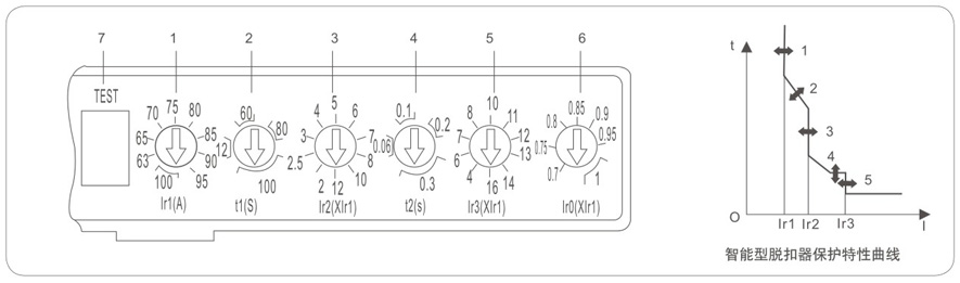
SCM5E-100, In= 100A智能型脱扣器

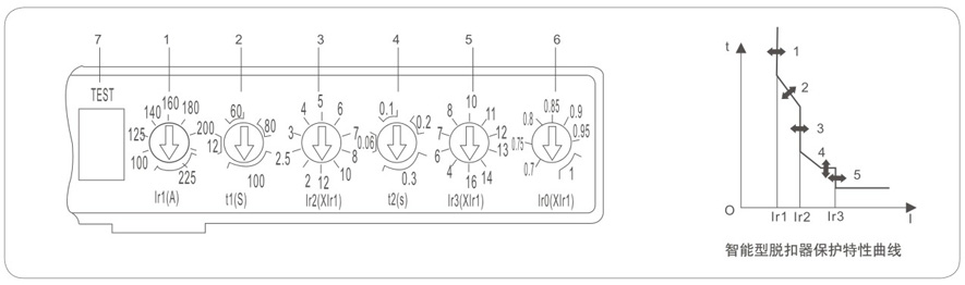
SCM5E-225, In=225A智能型脱扣器

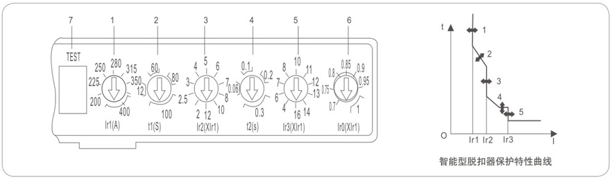
SCM5E-400,In=400A智 能型脱扣器

SCM5E- 630,In=630A智能型脱扣器

SCM5E-800,In=800A智能型脱扣器

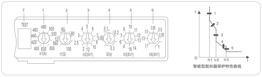
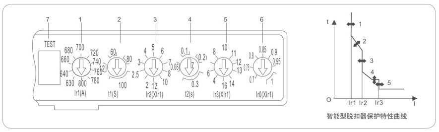
保护:
1、过载长延时动作电流Ir1调整,根据断路器不同的额定电流,可从4点到10点进行调整;
2、长延时动作时间t1调整, 可进行4点调整;
3、短路短延时动作电流Ir2调整,可进行10点调整;
4、短延时动作时间t2调整,可进行4点调整;
5、短路瞬时动作电流Ir3调整,可进行9点或10点调整;
6、预报警动作电流Ir0调整, 可进行7点调整;
7、测试端,用于检测电子脱扣器当前整定值;
8、电子脱扣器工作指示;
9、预报警指示;
10、 过载指示;
11、脱扣按钮。
断路器主要技术性能指标:

其中1600有358即分励脱扣器,欠电压脱扣器,报警触头。
注:a.300:表示不带表中附件的断路器;
b. SCM5E - 630及SCM5E- 800中348规格辅助触头为-对触头(即一常开,-常闭),368规格辅助触头为三对触头(即三常开,三常闭)。
断路器主要技术性能指标:
断路器主要技术性能指标见表

断路器主要技术性能指标:

功率损耗及阵容系数:
功率损耗见表三

智能型脱扣器特性:
脱扣器特性
具有载长延时反时限,短路短延时反时限,短路短延时定时限,短路瞬时动作等保护功能,可由用户自行设定组成所需的保护特性。
脱扣器特性见图一

长延时过电流保护反时限动作特性见表五

注: 1.动作时间符合l2T1=(2Ir)2t1(1.2≤1

如用户订货时无特殊要求,脱扣器特性参数按表七、表八配置

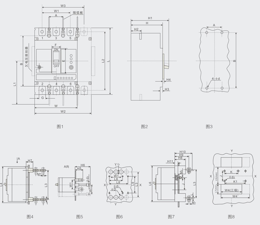
外形安装开孔尺寸:


注:图1、2. 3为板前接线及安装开孔尺寸;图4、5. 6为板后接线安装及开孔尺寸;图7、8为插入式接线安装及开孔尺寸。
4"Deep Well Pumps 4SG(M)













