产品概述:
SCM5系列断路器,是本公司采用国地漏先进设计、制造技术研制、开发的新型断路器之-。其额定绝缘电压为800V,( SCM5- 63为500V),适用于交流50Hz,额定工作电压690V及以下,(SCM5-63为400V),额定工作电流至800A的电路中作不频繁转换及电动机不频繁起动之用。断路器具有过载、短路和欠电压保护装置,能保护线路和电源设备不受损坏。
断路器按照其额定极限短路分断能力(Icu)的高低分为C型(低分断型)、L型(标准型)、M型(较高分断型)、H型(高分断型)四类。该断路器具有体积小、分断高、飞弧短(部分规格零飞弧)、抗振动等特点,是陆地及船舶使用的理想产品。
本断路器可垂直安装(即竖装),亦可水平安装(即横装)。
本断路器产品执行下列标准:
1EC60947- 1及GB/T14048.1总则
IEC60947- 2及GB/T14048.2低压断路器
1EC60947-4及GB/T14048.4接触器和电动机起动器
IEC60947-5. 1及GB/T14048.5机电式控制电路电器
型号及其含义:

适用工作环境:
.海拔高度2000m及以下;
.周围介质温度不高于+40°C (对船用产品为+45*C)和不低于-5'C;
.能耐受潮湿空气的影响;
.能耐受盐雾、油雾的影响;
.能耐受霉菌的影响;
.最大倾斜度为+22.5° ;
.在受到船舶正常振动时能可靠工作;
.在受到地震情况下(4g)能可靠工作;
.在无爆炸危险的介质中,且介质无足以腐蚀金属和破款绝缘的气体与导电尘埃的地方;
.在没有雨雪侵袭的地方.
分类:
●按产品极数分为二极(100A、160A、225A)、 三极与四极(SCM5-800无四级)。四极产品中中性极(N极)的型式分四种:
A型: N极不安装过电流脱扣器,且N极始终接通,不与其它三极一起合分;
B型: N极不安装过电流脱扣器,且N极与其它三极一起合分; (N极先合后分) ;
C型: N极安装过电流脱扣器,且N极与其它三极-起合分; (N极先合后分 ) ;
D型: N极安装过电流脱扣器,且N极始终接通,不与其它三极一起合分。
按额定电流(A)分:
SCM5-63为10、16、20、25、32、40、50、63A九级;
SCM5-100为16、20、 25. 32、40、 50、 63、 80、100A+极;
SCM5-160为100、 125、 140、160、 四极;
SCM5-225为100、125、 140、160、 180、 200、 225A七级;
SCM5-400为225、250、315、 350、 400A五级;
SCM5- 630为400、500、 630A三极;
SCM5-800为630、700、 800A三极。《带( )为不推荐规格》,按接线方式分为板前接线、板后接线、插入式三种。
. 按过电流脱扣器型式分热动-电磁(复式)型、电磁(瞬时)型两种。
SCM5快速选用表:
快速选用表见表1

举例:
1.如订SCM5-100M三极电动机保护用,额定电流为80A并带分励脱扣器/辅助触头,板前接线且要求两台带机械联锁机构。即写为订: SCM5- 100M/33402 In=80A,板前接线2台机械联锁,脱扣器线圈电压: AC220V。
2.如订SCM5-225四极,配电用,额定电流为180A并带电动操作机构及分励脱扣器,N极安装过电流脱扣器,且N极与其它三极一起合分形式,板后接线10台。即写为订SCM5-225P/4310 C型,In= 180 A板后接线10台电操电压: AC220V ,脱扣器线圈电压: AC220V。
脱扣器方式及附件代号:


注:
1.200:表示仅有电磁脱扣器的断路器本体;300:表示带有热动一电磁脱扣器的断路器本体;000:不带脱扣器的断路器本体;
2、对SCM5- 100、225三极产品只有210、310、 220、320、 230、 330;对SCM5- 100、160、 225四极断路器无218、318、 248、348,N极为A型和D型时无240、340、 260、360、 268、 368;
3、对SCM5-400、SCM5- 630及SCM5- 800其中248、348、278、378规格中辅助触头为- -对触头(即一常开、一常闭),268、368规格中的辅助触头为三对触头。
保护特性:
断路器热动型脱扣器具有反时限特性;电磁脱扣器为瞬时动作,特性见表3(配电用)及表4(保护电动机用)。

注: SCM5- 160及SCM5 -225中的100A, 125A规格中无5In电磁脱扣器.

断路器主要技术性能指标:
断路器主要技术性能指标见表


连接导线的截面积与相适应的额定电流:

功率损耗:

环境温度变化的降容系列:

外形及安装尺寸:
SCM5-63(L、M)板前接线尺寸(三极、四极)X-X. Y-Y三极断路器中心

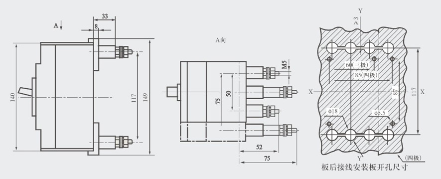
SCM5-63[L、M)板后接线尺寸(三极、四极) X-X、Y-Y三极断路器中心

SCM5-63(L、M)插入式接线尺寸(三极、四极) X-X. Y-Y三极断路器中心

SCM5-100(C、L. M. H)板前接线尺寸(三极、四极) X-X、Y-Y三极断路器中心

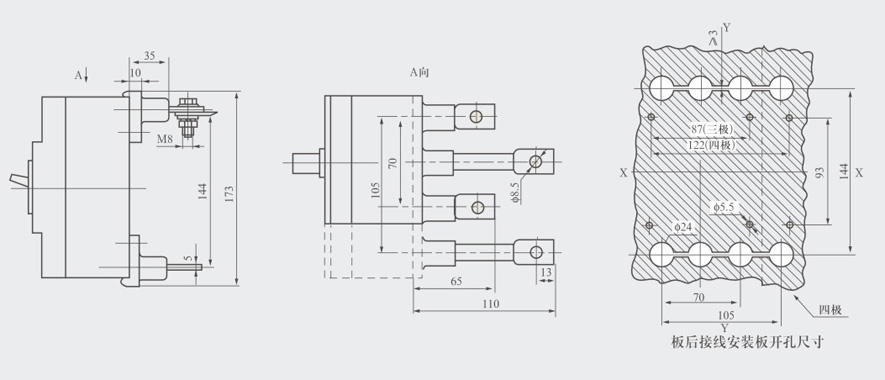
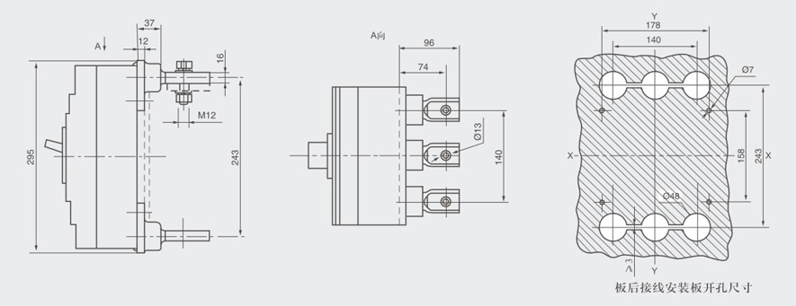
SCM5-100(C、L.M、H)板后接线尺寸(三极、四极)X-X、Y-Y三极断路器中心

SCM5-100(C、L. M、H)插入式接线尺寸(三极、四极)X-X、Y-Y为三极断路器中心

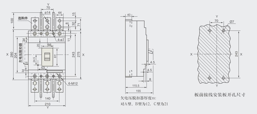
SCM5-225 ( C、L、M、H)板前接线尺寸(三极、四极)X-X.Y-Y为三极断路器中心

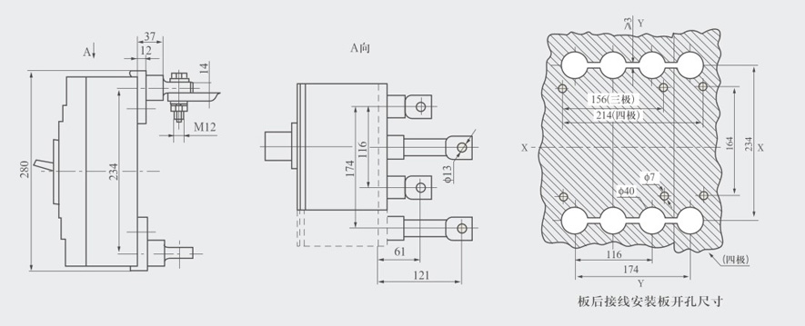
SCM5-225(C、L、M、H)板后接线尺寸(三极、四极)X-X、Y-Y为三极断路器中心

SCM5-225 (C、L、M、H)插入式接线尺寸(三极、四极) X-X、Y-Y为三极断路器中心

SCM5-400(C、L. M、H)板前接线尺寸(三极、四极) X-X、Y-Y为三极断路器中心

SCM5-400 (C、L. M、H)板后接线尺寸(三极、四极)X-X、Y-Y为三极断路器中心

SCM5-400(C、L、M、H)插入式接线尺寸(三极、四极)X-X. Y-Y为三极断路器中心

SCM5-630(C、L、M)板前接线尺寸( 三极、四极) X-X、Y-Y为三极断路器中心

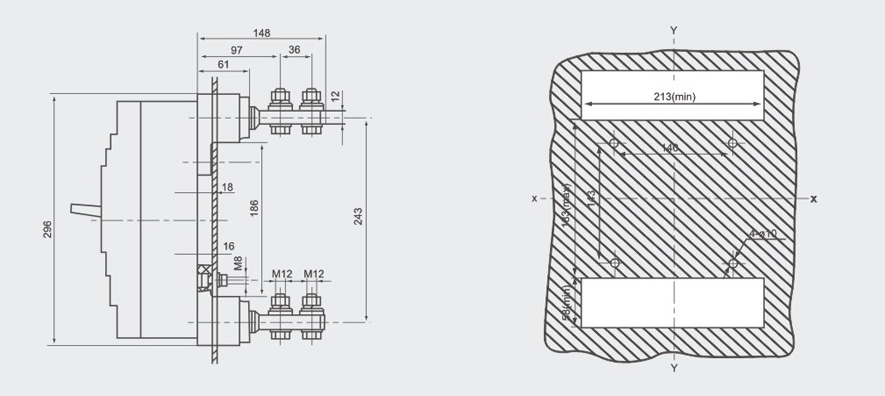
SCM5-630(C、L. M)板后接线尺寸(三极、四极) X-X、Y-Y为三极断路器中心

SCM5-630(C、L. M)插入式接线尺寸(三极、四极) X-X、Y-Y为三极断路器中心

SCM5- 630H、SCM5-800 (M、H)板前接线尺寸(三极) X-X、Y-Y为三极断路器中心

SCM5- 630H、SCM5-800 (M、H)板后接线尺寸( 三极)X-X、Y-Y为三极断路器中心

SCM5- 630H、SCM5-800 (M、H)插入式接线(三极)

4"Deep Well Pumps 4SG(M)












