产品概述:
具有优美、新颖简洁、体积小、功能全,是同类产品的最佳选择。
额定工作电压至400V、额定频率50Hz。
用作供电系统的主用电源与备用电源的自动转换或两台负载设备的自动转换及安全隔离等。
型号及其含义:

概述:
SCH5系列(PC级)双电源自动转换开关(ATSE),是集开关与逻辑控制于一体、真正实现机电一体化的新型自动转换开关,它适用于额定绝缘电压至1000V,额定频率50Hz、额定电压至400V、约定发热电流至3200A的工企业配电设备中;用作供电系统的主用电源与备用电源的自动转换或两台负载设备的自动转换及安全隔离等:;广泛用于医院、商场、银行、高层建筑、煤矿、电信、铁矿、高速公路、机场、工业流水线及军事设施等不允许电源断电的重要场合。
开关由控制线路板发出各种逻辑命令管理电机,由电机转动经齿轮箱减速后带弹簧蓄能、瞬时释放的操作机构,从而快速地接通与分断电路或进行电路转换,通过明显可见状态实现安全隔离。
开关可实现全自动、强制“0”远程控制、紧急手动等操作;并具有缺相检测保护、电气机械互锁,带发电机(油机)等功能,开关造型优美、新颖简洁、体积小、功能全,是同类产品的最佳选择,
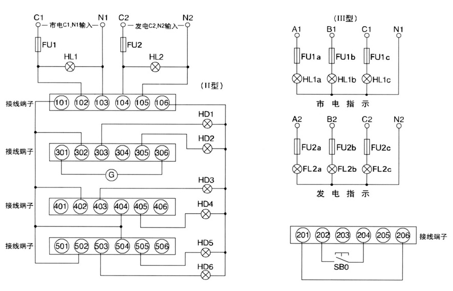
双电源自动转换开关控制类型:
●1型:全自动;
●Il型:全自动、强制“0”、远程控制;
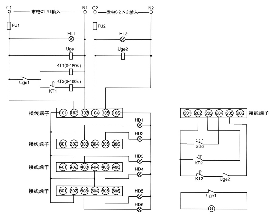
●1型:全自动、强制“0”、远程控制、带发电机;
带液晶控制器,有缺相检测保护、全自动、强制“0”、 远程控制、 带发电机供选择;
双电源自动转换开关控制类型:
●全自动:即自投自复,当常用电源断电(或断相)时,开关自动转换至备用电源;而当常用电源恢复正常后,开关自动返回转换至常用电源。
●强制“0” 紧急情况或设备检修时,启运强置“0” 自锁按钮,开关自动转换至“0” 档切断双路电源。
●远程控制(远控) :即远距离操作控制,启动“I”档按钮,则常用电源投入工作;启动“1I档按钮,则备用电源把风入工作。
●带发电机 (油机) ,而当市电电源断电 (或断相) 时,则发出油机启动的信号, 使油机自动启动,等发电正常后,开关便自动转换至发电电源,而当市电电源恢复正常后,开关又自动返回转换至市电电源,同时发出油机关闭的信号,使油机自动关闭。
●缺相检测保护:检测与保护常(备)用电源任意相的断电。
产品符合标准: IEC60947-6-1 GB/T1404811;
额定工作电压(Ue) : AC400V;
额定接通能力(ARms) : 10le;
额定分断能力( ARms): 8le;
SCH5-32~3200A双电源自动转换开关的技术参数:

SCH5-32~3200A双电源自动转换开关的结构与特征:
●电气钥匙锁:控制开关内部控制线路电源,电气锁开启时,开关才能实现全自动、强置“0” 、远控操作;电气锁关闭时。开关只可手动操作。
●操作手柄:使用操作手柄手动操作时,必须先关闭电气锁。
●机械挂锁:检修专用的挂锁机构,检修时将开关打开“0” 档,再拉起挂锁机构并上挂锁,可防止任何的意外(拉起挂锁则切断开关内部控制电源,开关无法自动,同时可防止手柄套上)。
●指示件:指示开关的三种状态(1、0、|1位置,“I'表示开关|接通, "I'表示开关接通,“0” 表示开关I、开关I|都断开。

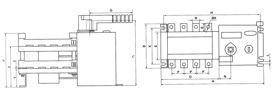
SCH5-32~1 600A双电源自动转换开关的外形与安装尺寸:



SCH5-2000A ~ 3200A双电源开关的外形与安装尺寸:

SCH5-32 ~ 3200A双电源开关的使用与调试:
●开关使用说明
1、非专业人士,请勿安装;非本公司许可,请勿拆开,以免损坏。
2、使用安装前,请仔细认真阅读本说明书,以免使用不当。
3、开关内部控制电源额定电压为220V,取自常用电源C1.N1与备用电源的C2.N2.在85%一110%的额定控制电压范围内,开关方可正常工作。
4、开关进线端电源应有过压保护,以免电压过高而损坏内部线路板或控制电机。
5、开关出线端应有短路保护,以免短路时电流太大而烧坏开关本体。
6、使用安装前,请将电气钥匙锁关闭,并将开关打到“0”档。
7、开关接线时,请测量与区分电源进线的A、B、C、N,并接到开关的相应极上。
8、通电使用前,请再次测量C,N电压是否在85% ~ 110%的额定控制电压范围内,然后开启电气钥匙锁,正式投入工作。
9、开关正常投入后,请取下电气钥匙与操作手柄单独保管,以防意外。
●开关调试说明
1、使用操作手柄,反复操作开关三次,开关应操作灵活。
2、全自动调式:按接线图接好相应的线,确认无误后再开启电气锁,然后接通双路电源,开关应转到"I”档;再断开常用电源,开
关应转到"II" ,档:然后再接通常用电源,开关应返回转到“I”档;
3、强制“0”调试:任何情况下,启动强制: “0” 自锁按钮,开关应转到“0”档。
4、远程控制调试:启动“I档按钮,开关应转到“I"” 档;启动“I”" 档按钮,开关应转到“II” 档。
5、检测信号指示灯:常/备用电源通/断电时,开关“1/I"通断时, 电气挂锁开/关时,各信号指示灯应作相应的指示。
6、调试完后,请先关闭电源,再用手柄将开关转到“0”档。
SCH5-32~3200A双电源开关的安装与接线:
开关的正确安装方法:

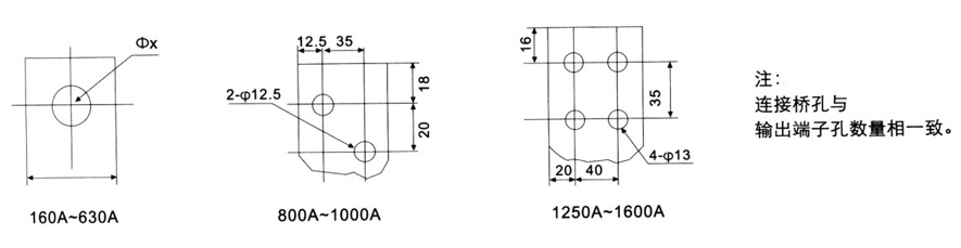
端子接线操作方法:

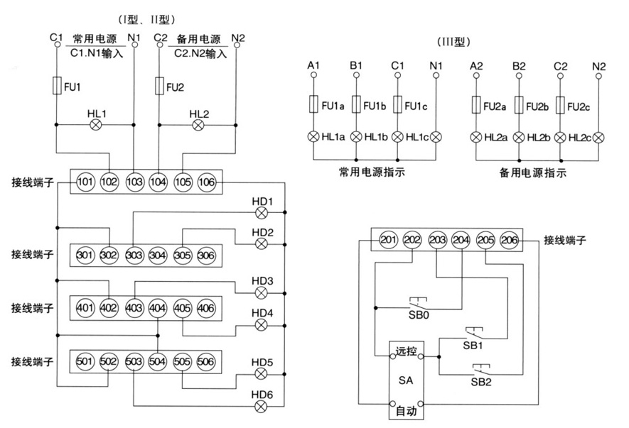
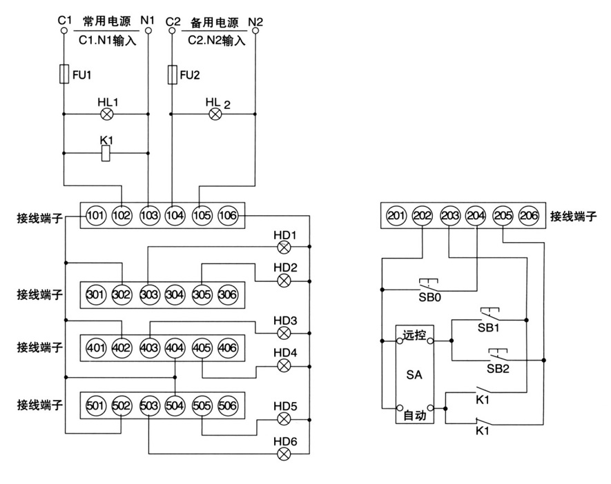
SCH5-32~100A全自动,强制“0”,远控接线

SCH5-125~630A全自动,强制“0”, 远控接线


( SCH5-1 000~ 3200A全自动、强制“0”,远控接线:


SCH5-32~ 100A带发电机接线

SCH5-125~630A带发电机接线


SCH5-1 000~ 3200A带发电机接线


订货须知:
用户在订货时应注明下列详细资料:产品名称、型号、规格、电流等级及控制类型,因产品技术不断改进,所有数据应以最新数据确认为准,如有变动,恕不另行通知。
4"Deep Well Pumps 4SG(M)













